晶閘管又叫可控硅。自從20世紀50年代問世以來已經發展成了一個大的家族,它主要有單向晶閘管、雙向晶閘管、光控晶閘管、逆導晶閘管、可關斷晶閘管、快速晶閘管,等等。從晶閘管的電路符號可以看到,它和二極管一樣是一種單方向導電的器件,關鍵是多了一個控制極G,這就使它具有與二極管完全不同的工作特性。晶閘管是可以處理耐高壓、大電流的大功率器件,隨著設計技術和制造技術的進步,越來越大容量化 。

基本結構:
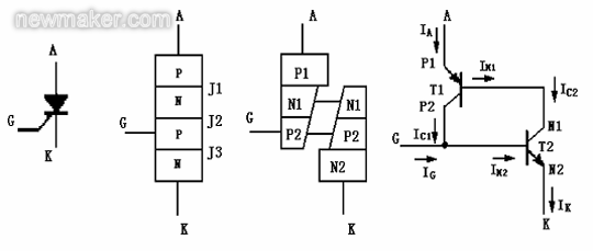
晶閘管的外形如下圖所示,分為螺栓形和平板形兩種,螺栓形這種結構更換元件很方便,用于100A以下的元件。平板形,這種結構散熱效果比較好,用于200A以上的元件。 晶閘管是由四層半導體構成的。圖右所示為螺栓形晶閘管的內部結構,它由單晶硅薄片P1、N1、P2、N2四層半導體材料疊成,形成三個PN結。圖 (b)和(c)所示分別為其示意圖和表示符號。

在晶閘管的陽極與陰極之間加反向電壓時,有兩個PN結處于反向偏置,在陽極與陰極之間加正向電壓時,中間的那個PN結處于反向偏置,所以,晶閘管都不會到導通(稱為阻斷)。

(1)G不加電壓(UGK=0) 這時晶閘管相當由三個PN結串接,其中一只反接, 因而不導通。
(2) G加上適當電壓(UGK>0),則產生正反饋。
晶閘管導通后,UAK(AK之間的壓降很小)。不管UGK存在與否,晶閘管仍將導通。外電路使晶閘管的陽極電流IA小于某一數值時,就不能維持正反饋過程,晶閘管就會自行關斷。
A—接電源負極 K—接電源正極
這時電路J1,T2均承受反向電壓,無論控制極是否加正向觸發電壓,晶閘管均不導通,呈關斷狀態。
綜上所述,在晶閘管的A-K之間加正向電壓,還需在G-K之間加適當的觸發電壓,晶閘管就能導通。相似一個受控的二極管。
伏安特性:
晶閘管的陽極電壓與陽極電流的關系,稱為晶閘管的伏安特性,如圖所示。晶閘管的陽極與陰極間加上正向電壓時,在晶閘管控制極開路(Ig=0)情況下,開始元件中有很小的電流(稱為正向漏電流)流過,晶閘管陽極與陰極間表現出很大的電阻,處于截止狀態(稱為正向阻斷狀態),簡稱斷態。
當陽極電壓上升到某一數值時,晶閘管突然由阻斷狀態轉化為導通狀態,簡稱通態。陽極這時的電壓稱為斷態不重復峰值電壓(UDSM),或稱正向轉折電壓(UBO)。

在晶閘管陽極與陰極間加上反向電壓時,開始晶閘管處于反向阻斷狀態,只有很小的反向漏電流流過。當反向電壓增大到某一數值時,反向漏電流急劇增大,這時,所對應的電壓稱為反向不重復峰值電壓(URSM),或稱反向轉折(擊穿)電壓(UBR)。
可見,晶閘管的反向伏安特性與二極管反向特性類似。
晶閘管的主要參數:
為了正確選用晶閘管元件,必須要了解它的主要參數,一般在產品的目錄上都給出了參數的平均值或極限值,產品合格證上標有元件的實測數據。
(1)斷態重復峰值電壓UDRM
在控制極斷路和晶閘管正向阻斷的條件下,可以重復加在晶閘管兩端的正向峰值電壓,其數值比正向轉折電壓小100V。
(2)反向重復峰值電壓URRM
在控制極斷路時,可以重復加在晶閘管元件上的反向峰值電壓,此電壓數值規定比反向擊穿電壓小100V。
通常把UDRM與UDRM中較小的一個數值標作器件型號上的額定電壓。由于瞬時過電壓也會使晶閘管遭到破壞,因而在選用的時候,額定電壓一個應該為正常工作峰值電壓的2~3輩,作為安全系數。
(3)額定通態平均電流(額定正向平均電流)IT
在環境溫度不大于40oC和標準散熱即全導通的條件下,晶閘管元件可以連續通過的工頻正弦半波電流(在
一個周期內)的平均值,稱為額定通態平均電流IT,簡稱額定電流。
額定通態平均電流(額定正向平均電流)IT
—— 在環境溫度不大于40oC和標準散熱即全導通的條件下,晶閘管元件可以連續通過的工頻正弦半波電流(在一個周期內)的平均值,稱為額定通態平均電流IT,簡稱額定電流。

(4)維持電流IH
在規定的環境溫度和控制極斷路的條件下,維持元件繼續導通的最小電流稱為維持電流IH 。一般為幾十毫安~一百多毫安,其數值與元件的溫度成反比,在120攝氏度時維持電流約為25攝氏度時的一般。當晶閘管的正向電流小于這個電流時,晶閘管將自動關斷。
晶閘管的型號及含義
國產晶閘管的型號一般表示為
元件的斷態重復峰值電壓
元件的額定通態平均電流
可控整流元件
N型硅材料
三個電極
例如:3CT50/500表示額定通態平均電流為50A ,斷態重復峰值電壓為500V的晶閘管元件。有些部門頒布了晶閘管其他的命名方法(如KP系列的晶閘管)。選用時一定要注意清楚了。
(6)判別晶閘管的好壞
制造廠通常已提供了許多有關晶閘管特性的各種資料數據或圖表,供使用者參考,但是,有時候仍然有自行測試的必要。下面僅介紹一種利用萬用表的歐姆檔來識別管腳和判別管子好壞的辦法。其測試方法可按表示進行。
一只良好的晶閘管,其陽極A與陰極K之間應為高阻值,所以,當萬用表試A -K間的電阻時,亦不論電表如何接都
應為高阻值。而G-K間的逆向電阻比順向電阻越大,表示晶閘管性能良好。
1)單向可控硅的檢測。
萬用表選電阻R*1Ω擋,用紅、黑兩表筆分別測任意兩引腳間正反向電阻直至找出讀數為數十歐姆的一對引腳,此時黑表筆的引腳為控制極G,紅表筆的引腳為陰極K,另一空腳為陽極A。此時將黑表筆接已判斷了的陽極A,紅表筆仍接陰極K。此時萬用表指針應不動。用短線瞬間短接陽極A和控制極G,此時萬用表電阻擋指針應向右偏轉,阻值讀數為10歐姆左右。如陽極A接黑表筆,陰極K接紅表筆時,萬用表指針發生偏轉,說明該單向可控硅已擊穿損壞。
2) 雙向可控硅的檢測。
用萬用表電阻R*1Ω擋,用紅、黑兩表筆分別測任意兩引腳間正反向電阻,結果其中兩組讀數為無窮大。若一組為數十歐姆時,該組紅、黑表所接的兩引腳為第一陽極A1和控制極G,另一空腳即為第二陽極A2。確定A1、G極后,再仔細測量A1、G極間正、反向電阻,讀數相對較小的那次測量的黑表筆所接的引腳為第一陽極A1,紅表筆所接引腳為控制極G。將黑表筆接已確定的第二陽極A2,紅表筆接第一陽極A1,此時萬用表指針不應發生偏轉,阻值為無窮大。再用短接線將A2、G極瞬間短接,給G極加上正向觸發電壓,A2、A1間阻值約10歐姆左右。隨后斷開A2、G間短接線,萬用表讀數應保持10歐姆左右。互換紅、黑表筆接線,紅表筆接第二陽極A2,黑表筆接第一陽極A1。同樣萬用表指針應不發生偏轉,阻值為無窮大。用短接線將A2、G極間再次瞬間短接,給G極加上負的觸發電壓,A1、A2間的阻值也是10歐姆左右。隨后斷開A2、G極間短接線,萬用表讀數應不變,保持在10歐姆左右。符合以上規律,說明被測雙向可控硅未損壞且三個引腳極性判斷正確。
檢測較大功率可控硅時,需要在萬用表黑筆中串接一節1.5V干電池,以提高觸發電壓。
(7)晶閘管(可控硅)的管腳判別
晶閘管管腳的判別可用下述方法: 先用萬用表R*1K擋測量三腳之間的阻值,阻值小的兩腳分別為控制極和陰極,所剩的一腳為陽極。再將萬用表置于R*10K擋,用手指捏住陽極和另一腳,且不讓兩腳接觸,黑表筆接陽極,紅表筆接剩下的一腳,如表針向右擺動,說明紅表筆所接為陰極,不擺動則為控制極。
(8)晶閘管的應用
1)順變裝置(交流電變成直流電)
可變電壓電源、恒壓、恒流源、直流電機電源
2)逆變裝置(直流變成交流電源)
頻率精度高,負荷變化時輸岀穩定,恒頻率電源、不間斷電源、交流電機電源。
3)變頻裝置(順變和逆變的組合)用于同步機和異步機的調速。
4)直流電動機的調速(可代替直流發電機)
效率高、響應快、體積小、重量輕。




